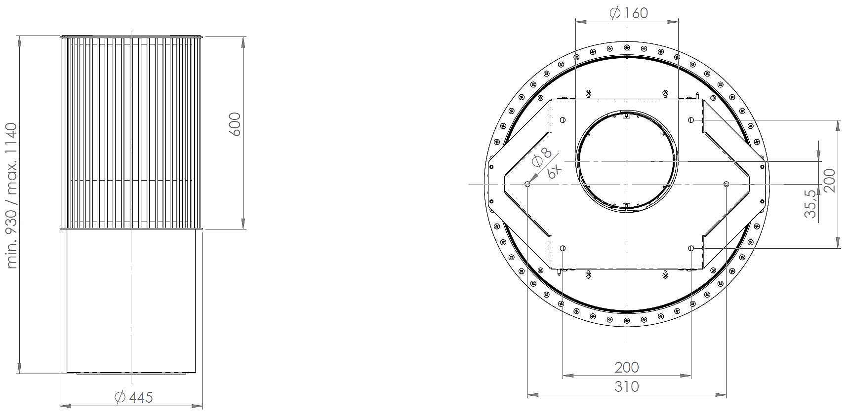
Hota insula Voliera N3 White-White

https://nortberg.ro/hota-insula-voliera-n3-white.html