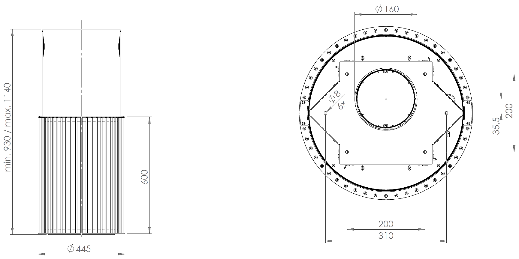
Hota insula Voliera N2 White-White

https://nortberg.ro/hota-insula-voliera-n2-white.html