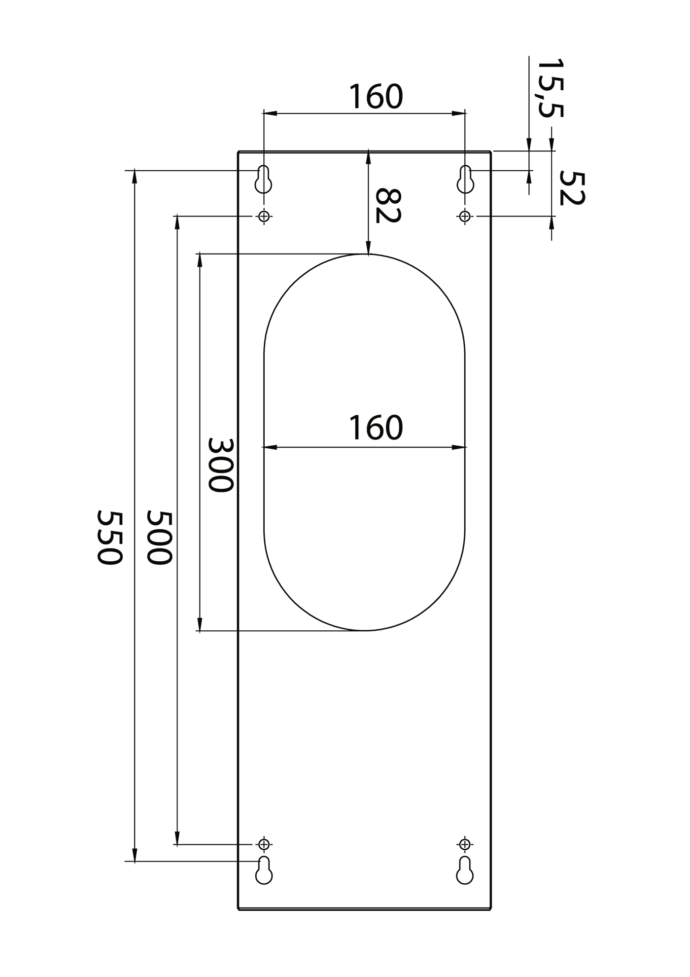
Hota decorative Tubo OR Black Matt

https://nortberg.ro/hota-de-perete-tubo-or-black-matt.html